How To Install Axxess Steering Wheel Control Interface
Female mm connector with Brown and Chocolate-brown/White wires. • 12k-ohm .
Axxess steering cycle control (ASWC) interface (refer to the aftermarket radio. Brown/White wires • 12k-ohm resistor. TOOLS REQUIRED.
• Cut tool • Crimping tool • Tape. Axxess Steering Bicycle Control.
Interface Installation Manual. If you are looking for ASWC-one instructions, you'll need to utilize the vehicle fit See the latest application guide for automotive integration of Axxess products. ASWC-1 VEHICLE SPECIFIC INSTRUCTIONS.
ASWC-1 2 for wiring instructions for the Axxess 2 wire adapter. ASWC-1 is detecting wires connected to. Crawly product, could have used a fiddling amend instructions but once I figured out the wires information technology'due south Crawly and is simple!
A must when installing an aftermarket .Dec 03, · Watch a total tutorial as a Nissan Rogue will have its factory steering wheel volume and rails controls wired and programed to be used and installed to a Pioneer AVH-XBS.
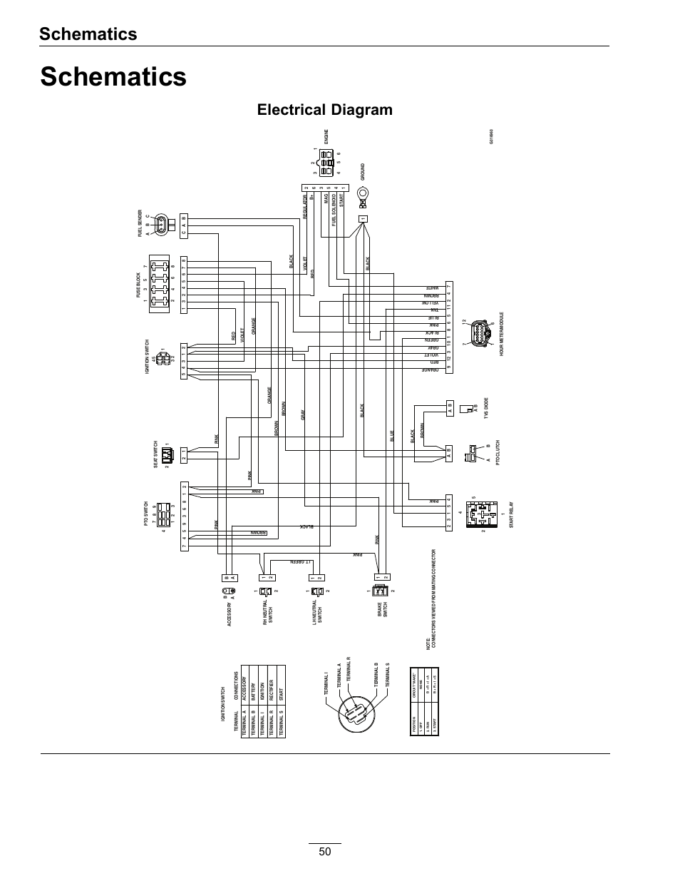
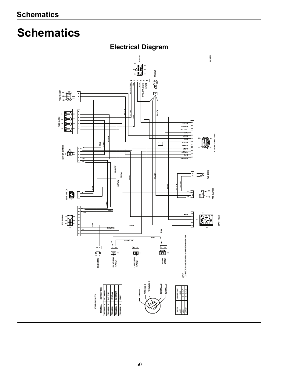
Axxess Steering Bike Control Interface Wiring Diagram Download - 19 Plus Steering Bicycle Command Wiring Diagrams Graph.
10 Plus Steering Wheel Wiring Diagram Graph. Trailblazer Wiring Diagram Carlplant Outstanding Gmos 04 to for.
Fancy Steering Cycle Control Wiring Diagrams Collection Wiring. Download the App to update whatsoever electric current Axxess interface from the convenience of your Android or iOS based smart phone or tablet. The app volition automobile-detect the interface, scan the current firmware and allow the user to force update if necessary.
You tin can likewise use the App to Dual Assign, Remap buttons and change ASWC-ane Steering Wheel Controls! axxess steering wheel control interface wiring diagram – Edifice electrical wiring diagrams prove the approximate areas as well equally affiliations of receptacles, lighting, as well as irreversible electric solutions in a building.
Retain Steering Wheel Controls Keep your factory steering cycle controls with Metra's ASWC Easy to install with an aftermarket radio, piece of cake to programme with our motorcar observe feature.
Stay safe and connected while driving past installing an Axxess connectivity interface and mobility products.
Digital Indicate Processor Upgrade your audio, proceed.ASWC-1 steering wheel control - wiringall.com ForumsVehicle Fit Guide | Axxess Integrate
Source: https://wiringall.com/axxess-steering-wheel-control-interface-wiring-diagram.html
Posted by: edwardsgeoll1980.blogspot.com

0 Response to "How To Install Axxess Steering Wheel Control Interface"
Post a Comment